您好, 中儒股份商城欢迎您!
中儒股份商城欢迎您!
电话:0573-82095808
售前咨询
投诉中心
申请合作
账户
会员中心
我的订单
我的询价单
安全退出
登录
|
注册
询价篮(
0
)
购物车(
0
)
快速订购
搜 索
热门搜索
扳手
卡尺
叉车
万用表
手套
钻头
吸尘器
口罩
工具
轴承
购物车(
0
)
首页
产品中心
产品中心
08,15
实验室仪器
103
实验室耗材
162
11,12
安防
122
个人防护
135
19,28
泵、阀及管路
185
建筑行业
235
20,25
脱模及相关产品
192
制冷暖通
223
13,21,24
电气
146
涂料/记号标识
195
照明
219
27,29,32
办公用品
229
其他分类
254
福利
11577
02,31
仪器仪表
7
测量检测
9307
01,05,33
焊接
2
手工具
59
食品水饮
03,14
化学试剂
40
车间化学品
154
06,09
搬运存储
80
金属加工
110
07,16,18
润滑剂
90
清洗防锈
167
清洁用品
177
10,23
动力工具及耗材
115
气动液压
205
04,17
胶粘剂
47
紧固密封件
173
22,26,30
动力传动
198
空气动力
227
真空
255
技术学院
关于我们
积分商城
制造商品牌
联系我们
当量溶液免费送
搜索数据加载中,请稍候...
当前位置:
首页
>
GB∕T 8335-1998气瓶专用螺纹 > GB∕T 8335-1998气瓶专用螺纹
详细资料
173
GB∕T 8335-1998气瓶专用螺纹
发布时间:
2020-11-30
浏览数:
629
关键词
GB∕T 8335-1998气瓶专用螺纹
摘要
GB∕T 8335-1998气瓶专用螺纹
商品信息
0
更多展开
资料下载
资料内容
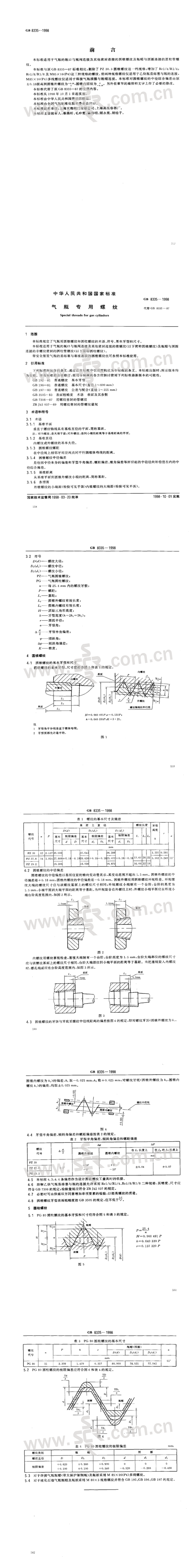
GB∕T 8335-1998气瓶专用螺纹
首页
公司简介
客户服务
联系我们
常见问题
反舞弊及举报
投诉与建议
版权所有: 中儒股份
您尚未登录
会员账号:
密 码:
忘记密码?
记住登陆信息
自动登录
是新用户吗?
立即注册